<IT情報・身近な電気のなぜ?> IT情報TOPヘ
![]()
 電気を安全に扱うための接地といえば、誰しも家電機器の筐体を接地することを考えるでしょう。ただ、日本の配電系統全体の安全を考えるとき、もう一つ柱上変圧器の2次側の低圧線の接地に行きつくのです。この2つの接地は、電気の安全に欠かせない法で決められた接地なのです。
     今回は私どもの安全な電化生活に、2つの接地がどのように寄与しているかをみていきます。
    
<身近な電気の接地は2種類ある>
    
  日本の電柱の電線は右図のように、上から高圧配線の3相6600V、低圧配線の単相3線式100/200Vと順に設置されています。変圧器(柱上変圧器)は高圧を低圧に降圧して各家庭に届けます。なお、人が誤って電線に触れても安全なように、高圧線と低圧線は絶縁電線を使用しています。
     また、柱上変圧器の低圧2次側(3線式の中性点)は、電柱の近くで接地(アース)されています。高圧線が誤って低圧線に触れても、低圧線の対地電圧(大地を基準にした電圧)の上昇を抑え、電力系統の安全を守るための接地です。生きている電線を接地するので、直感的には奇妙に思えるかも知れませんが、法で決められた大事な接地で「B種接地」といいます。 
     私たちが通常よく見るのは電気機器の筐体の接地で、これも法で決められており「D種接地」といいます。単に接地といえばこの筐体の接地のことと思っている人も多いでしょう。それほど電気機器の筐体の接地はポピュラーな接地です。
  右図は柱上変圧器のB種接地と、家屋内の電気器具(負荷Aと負荷B)の一般的な配線図を示しています。家庭に届く3本線は3色に色分けして使います。
    中性線が白、他の2本は黒と赤です。中性線と他のいずれかの線を使えば100V、黒と赤の線を使えば200Vになります。
     そして中性線がB種接地されているので、正常時の3本線の対地電圧は、中性線はゼロ、他の2本の線はいずれも100Vになります。
    
    
    
    
<高低圧混触のとき電流の流れる先は?>
    
     日本の配電線は系統全体の安全を考慮して、低圧線はすでに述べたように接地系であり、そして高圧線は非接地系としています。高低圧の混触時に対地電圧を150V以下に抑えるB種接地とは、どんな仕組みか調べてみましょう。
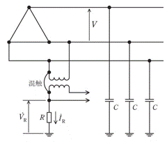
     さて、実際の高圧線は広範囲に亘って張られており、電線と大地間に浮遊する静電容量が無視できません。3本線それぞれの浮遊容量をC、B種接地抵抗をRとして右図のような等価回路を考えます。高圧線が低圧線に混蝕したときの地絡電流は、変圧器の2次側のB種接地から大地に流れ、高圧線の浮遊容量を経由して高圧線に戻ります。
 下図(NTT東日本サービスから転載)は B種接地は存在するという前提で、D種接地の意味を分かりやすく示しています。下図左は機器の筐体に漏電が発生していますが、D種接地線が切断されており、そこに人が触れてビリビリと感電しています。こんな様子が描かれています。
     下図右上は「D種接地なし」です。漏電が発生したとき、人の接触電圧(対地電圧)は100Vで危険な状況です。下図右下は「D種接地あり」です。漏電時の電気の流れは、AC100V~機器筐体~D種接地~大地~B種接地~柱上変圧器2次側の中性点に戻ります。このとき大地表面の電位 は、おおむね図の 緑色破線 のような勾配の電位になります。その結果、人の接触電圧(筐体と大地の電位差)は小さくなり、大地に足をおく人の感電の度合いを大きく抑えることができます。
    
 右図は電気機器(自販機)の絶縁が破壊して漏電したときの、漏電遮断器が働く仕組みを示しています。正常時は零相変流器を通る電流は、行き帰り同じ(変流器の1次側電流はゼロ)です。ただ、自販機に漏電が発生すると電流は行きと帰りに差が出ます。この差を漏洩電流といいます。 さて、人が活線に直接触れたときの電流は人体を通って大地に流れます。そのとき人体に流れる電流はどの程度になるのでしょうか。人体への通過電流値とその影響は以下のように考えられています。
    ・0 ~0.5mA:電流を感知できない。
    ・0.5~5mA:ビリビリと痙攣を起こさない程度で、指や腕などに痛みを感じる。
    ・5 ~30mA:痙攣を起こし、接触状態から離れることが困難になる。
    ・30~50mA:強い痙攣を起こし、失神や血圧上昇をまねく。長時間の感電は死亡もある。
    ・50mA以上:強烈なショックを受け、心臓停止や火傷により死亡する可能性が高くなる。
 右図は築50年の我家の分電盤で、単相3線式で配電されています。主幹は今ではめったに見ないナイフスイッチが、分岐には過電流遮断器が使われています。3線式のうち
    電圧線2本にはヒューズが使われていますが、中性線は銅板で接続されています。中性線にヒューズを使わないことは電気工事の常識だそうです。
   中性線が切れることを「欠相」といいますが、欠相したとき負荷にかかる電圧を考えてみます。右図で単相3線式の2つの負荷を電気機器とすると、N-L1とN-L2の負荷はできるだけ「平衡」になるように接続します。このとき負荷Aと負荷Bが完全に等しければ、中性線Nには電流は流れませんが、両者が「不平衡」であれば中性線Nに電流が流れます。
     負荷が「不平衡」ときに中性線Nが遮断されると、右図下のように 負荷Aと負荷Bが直列になって200Vが印加されることになります。その結果、電力の小さい機器(抵抗大)に過電圧が加わり、機器を損傷する可能性があるのです。