<IT情報・身近な電気のなぜ?> IT情報TOPヘ
![]()
 「交流電気はなぜ貯められないの?」「直流にして蓄電池に貯めたらいい?」「交流電気は使う量と同じ量の電気を同時に発電しなければならない?」「電気の周波数はなぜ50Hzや60Hzなの?」「日本の総発電量の3/4は火力発電が占めている?」「ピーク電力を担う発電方式は?」「再生可能エネルギーによる発電はパワーエレクトロニクスの寄与が大きい?」・・・
     今回は目に見えない、分からないことだらけの電気の世界を、さっと俯瞰してみましょう。
    
    
<交流電気はなぜ貯められないの?>
     直流の電気を貯める蓄電池の容量が大きくなったといっても、各家庭で必要とする電気を供給する大きさにはまったく足りません。技術面でもコストから見ても、実用化は簡単にはできません。ですから、交流電気を使って需要があるときに発電して供給するしか方法はありません。
    
 電気を使う(需要)量と電気を作る量(供給)は、同じ時に同じ量にするということです。交流電気の需給バランスは、右図のように「同時同量」でなければならないのです。電気は「究極の生鮮品」ともいわれ在庫を持つことはできません。発送配電の運用から、安全の法基準まですべてはここから始まります。
     電気の需要が多くなれば発電機の速度が落ちて周波数は小さくなり、逆に需要が少なくなれば発電機の速度が上がり周波数は大きくなります。電力会社が需給バランスの目安にするのがこの周波数で、定格周波数の50Hzあるいは60Hzの「±0.1~±0.2」の範囲で運用しているようです。
 この周波数の値が大きく崩れてしまうと、安全装置が働いて発電所が停止して、場合によっては予測不能な大規模停電をまねくことにもなります。2018年9月に発生した北海道全域の停電「ブラックアウト」は、この電力需給バランスの崩壊が原因でした。
     電力会社は予測される電力消費(需要)に応じて、発電計画(供給)を決めます。1年の中でもっとも電力使うのは冷房が使われる夏で、それも工場などが稼働する昼間です。そして、晴れ・曇り・雨など天候の違いによっても需要は変動します。これまた刻々と変化する再エネ分(お天気による急変が多い)を含めた発電量の調節は難しい技術ですが、多くの発電所の出力を増減して全体の需給量を常に一致させ続けています。
    
    <世界の電圧と周波数の現状>
     世界主要国の電圧と周波数の現状を下図に示します。世界の標準電圧は220~240V、または110~130Vが一般的な電圧です。日本の標準電圧100Vは、世界で最も低い電圧です。電圧は小さい方が感電しても、より安全ということでそうなったようですが・・・
     周波数は 北米・中米、ブラジルなど南米北部、サウジアラビア、それに日本を含む東アジアが60Hzです。ヨーロッパ・中近東・アフリカ、アルゼンチンなど南米南部・東南アジアなどは50Hzです。1国の中で50Hzと60Hzがそれぞれ独立した系統を持ち、かつ両者が周波数変換設備で連係しているのは日本だけで、極めて特異な国といえます。
     
    <電力の周波数は100Hzや500Hzではダメ?>
     テスラとエジソンによる電流戦争終わって交流が使われだした初期の頃の周波数は、高い方は133×1/3Hzから低い方は25Hzまで、8種類ほどもの周波数が使われていました。しかし、あまりに低い周波数では電灯にチラツキが発生すること、発電機やモータでは50Hzや60Hzで最適と考えられてきて、第1次世界大戦(1914.7.28~1918.11.11)後になって、ようやく50Hzや60Hzに統一されました。
     ならば、50Hzや60Hzのどちらが有利か、ということを考えてみましょう。まず電気利用の立場で考えてみます。電気機器はその周波数を高くすると、機器寸法は小さくなるという自然法則があります。電力機器は鉄(珪素鋼板)と銅(巻線)からできているので、60Hzでは20%の余裕をもって50Hzより鉄と銅の量は少なくてすみます。私の10数年に亘るモータ設計の経験からは、機器の大きさは60Hzの方が断然有利であることを実感しています。
     ちなみに、飛行機は狭い室内の電力用に周波数の高い発電機を積んでいます。例えば、ボーイング787は周波数400Hzの発電機を6台積んでいますが、形状と重量はかなり小さいはずです。
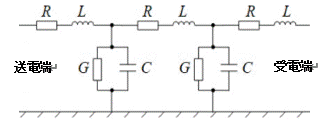
     一方、電気を遠くまで送る送配電線を考えてみます。長い送電線の1本は、等価的に右図のように考えることができます。ここでR:線路抵抗、L:線路インダクタンス、G:漏れコンダクタンス、C:浮遊静電容量です。周波数が高くなるとLとCの影響を多く受けます。Lは高い周波数を通しにくくし、Cは高い周波数を大地にバイパスします。このように電気を遠くまで送るには、60Hzの方が50Hzよりはるかに不利です。ましてや
    100Hzや500Hzなどにすると、消費地に着いた頃はかなりの電気がなくなってしまいます。
 さらに、送電線の構造見てみましょう。架空送電線は右図のような鋼心アルミより線が用いられます。アルミは銅より軽く、抗張力の不足は鋼心を用いて補強しています。電線径が大きく周波数が高くなれば、電線の表皮に電流が多く流れる「表皮効果」の影響で電力損失が増えます。

   
   <再エネ発電の現状>
     次に風力発電についてです。私は大阪大分間の飛行機をよく利用します。豊後水道に突き出た愛媛県佐田岬半島の上空で目に入るのは、数10基の風車が林立し、時を忘れたかのようにゆっくり回っている風景です。半島は東西50kmほどあり、しばしこの景観を楽しめます。 最後に、再エネの主力電源化は、技術的にきわめて難しいことに触れておきます。それは同期電源は自ら回転エネルギーを持ち、いわゆる慣性力・同期化力を維持することができるのに対して、インバータ電源(非同期電源)はそれらの能力を持たないことです。
     インバータ電源は電力系統を安定的に運用する能力が、本質的に欠けているということです。再エネを主力電源化するには、電気(周波数・電圧・波形)の品質低下や大規模停電への対応など、非常に難しい技術が必要となります。